Статья из категории: Самоделки

Люстра-колесо своими руками

Люстра-колесо своими руками

Сейчас в интерьере помещений часто используют люстры в виде колеса оттелеги. Конструкция прочная, и смотрится оригинально. Решил не отставать от моды, и смастерил такую для своей веранды.

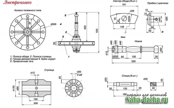
1. Подготовил чертеж всех деталей (см. рис. на стр. 18) Распечатал шаблон сектора колеса в натуральную величину.

Люстра-колесо своими рукамиЛюстра-колесо своими руками

2. Из березовой доски сечением 50x150 мм вырезал по шаблону необходимое количество заготовок для окантовки колеса (секторов). Из того же материала нарезал спицы и сразу просверлил в них сквозные отверстия для проводов, из сухой березовой чурки выточил ступицу (фото 1).

3. Подготовил необходимое электрооборудование и изготовил деревянный держатель (фото 2) для крепления люстры к потолку.

4. Склеил колесо-основание с помощью самодельной струбцины (фотоЗ).

5. В секторах просверлил отверстия d 35 мм под патроны (фото 4).

6. Собрал всю конструкцию, покрасил ее пропиткой по дереву. Установил на свои места патроны, а провода от них вывел в ступицу и сое-
динил с помощью клеммни-ков (фото 5), разделив всю электросхему на две части по четыре лампочки.

7. На грань обода и на ступицу прибил декоративными гвоздями полоски крашеной жести. На держателе зафиксировал подвес для крепления к потолку. Люстру украсил декоративной цепью.

Люстра-колесо своими рукамиЛюстра-колесо своими руками

Анатолий Матвейчук, г. Заводоуковск.
Фото автора

Похожие статьи:
  • Приспособление для выточки шкантов Приспособление для выточки шкантов Часто при ремонте мебели и при выполнении крепежных работ использую мелкие цилиндрические...
    Обогреватель-сушилка своими руками Обогреватель-сушилка своими руками Года два тому назад затеял ремонт печи на даче, но закончить его до начала холодов не успел. Чтобы...
    Делаем мебель на дачу своими руками Делаем мебель на дачу своими руками Смастерил практичный мебельный гарнитур. Помимо того, что здесь можно удобно расположиться по...
    Простая ретро-этажерка на дачу Простая ретро-этажерка на дачу Чтобы порадовать своих родных, смастерил простенькую и в то же время полезную в хозяйстве вещицу —...
    Навесная этажерка на дачу Навесная этажерка на дачу Для кухни изготовил навесную полку в стиле ретро. Такая конструкция подойдет для детской, спальни...
    Светильник из чашек своими руками Светильник из чашек своими руками Из чайного сервиза, часть предметов которого со временем была уте ряна, смастерил оригинальную...
  •   ::   просмотров - 2708   ::   комметариев - 0

    Популярное

    календарь дачника
    «    Январь 2026    »
    ПнВтСрЧтПтСбВс
     
    1
    2
    3
    4
    5
    6
    7
    8
    9
    10
    11
    12
    13
    14
    15
    16
    17
    18
    19
    20
    21
    22
    23
    24
    25
    26
    27
    28
    29
    30
    31
     
    Обрати внимание:
    Наши друзья
    Благодаря сайту www.umeltsi.ru вы можете построить дом, дачу, сделать ремонт квартиры, создать самодельные станки, приспособления, тоесть сделать - самоделки своми руками.
    Счетчики