Статья из категории: Самоделки

Тракторный прицеп-самосвал своими руками

тракторный прицеп-самосвал

Процесс перевозки любого груза всегда складывается из трёх составляющих: погрузка, доставка и разгрузка. Предположим, груз уже перевезён на фермерский двор. Наступает момент выгрузки -она происходит здесь обычно вручную, редко, когда имеется возможность воспользоваться подъёмным краном, разве лишь для снятия с транспортного средства каких-то крупногабаритных тяжестей.

И всё вручную! Работа трудоёмкая, будь то сыпучий груз или штучный. Тут невольно возникнет вопрос о «механизации процесса».

Тракторный прицеп-самосвал своими руками

Занялся этим и я. Решил сконструировать небольшой «самосбрасывающий» прицеп для трактора грузоподъёмностью 2 - 3 т. Как не покажется странным, но мой взгляд поначалу остановился на... квасной бочке. Официально она называется автомобильный прицеп-цистерна АЦПТ-9 для перевозки кваса. Конечно, я рассматривал лишь сам прицеп, его раму, выдерживающую бочку с квасом общей массой около тонны.

Как выяснилось, она создавалась на базе одноосного тракторного прицепа 1-ПТ-1,7. При его собственной массе 0,8 т на таком прицепе возможно было перевозить груз до 1,8 т; установочная площадка - 2484x940 мм - тоже была вполне достаточной для размещения задуманного мною кузова прицепа.
рамарама

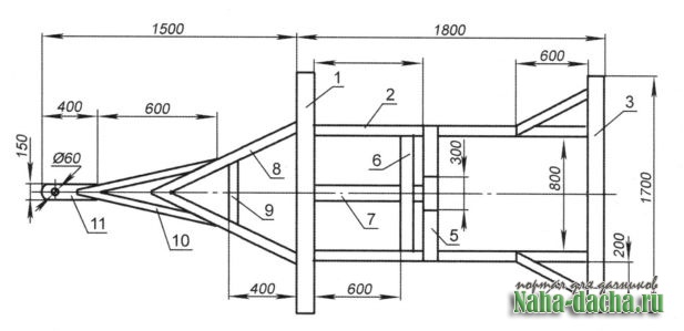
Рама прицепа:
1 - передняя траверса (швеллер 100x46x5); 2 - лонжерон (швеллер 140x58x5); 3 - задняя балка, швеллер (120x52x5); 4 - косынка (уголок 80x80x6); 5 - подкос установки гндроцилнндра (швеллер 120x52x5); 6 - центральная балка (100x100x4); 7 - продольный усилитель (пластина 100x5); 8 - дышло, швеллер (120x52x5); 9 - поперечный усилитель (уголок 50x50x5); 10 - мотало, швеллер (100x45x4); 11 - упор (пластина (150x20)


Детали рамы самодельного прицепа



Для изготовления рамы прицепа подобрал металлические профили, подобные стоящим на раме швеллеры: передняя траверса сечением 100x46x5 мм, боковые лонжероны (во избежание возникновения продольных изгибов при проходе по неровной дороге) - более мощные - сечением 140x58x5 мм; задняя балка, на которую приходится при подъёме кузова большая часть массы груза, - 120x52x5 мм. Раму в поперечнике усилил центральной балкой несколько меньшего сечения - 100x100x4 мм. Кроме того, подстраховал косынками соединение задней балки и лонжеронов. Таким образом, получилась металлическая рама размерами 1800x1700 мм, все соединения которой сварные.

Подъемный механизм прицепа самосвала



В качестве гидроцилиндра использовал подъёмник тракторного прицепа 1ПТС-9. Ход его штока составляет 850 мм, что позволило приподнимать кузов на угол несколько более 50° , достаточный для полного сползания с площадки грунта.
кузовкузов

Схема каркаса кузова:
1 - стойка борта (швеллер 500x50x5); 2 - стрингер (швеллер 120x52x5); 3 - лонжерон (швеллер 100x46x4); 4 - петля; 5 - обвязка пола (уголок 80x80x6)


Однако, чтобы установить на раму гидроцилиндр, пришлось изготовить ферму в виде перевёрнутого усечённого треугольника - подкос - из швеллера сечением 120x52x5 мм. На получившейся нижней площадке подкоса шириной 300 мм и поместил гидроцилиндр. В качестве упора в верхней части использовал металлический круг диаметром 650 мм, приварив его к деталям каркаса кузова. Шланг подключаю напрямую к гидросистеме трактора. Клиренс подкоса составляет 300 мм.

Тракторный прицеп-самосвал своими руками

Гидроцилиндр в подкосе:
1 - гидроцилиндр, L 675 мм, 0102, ход штока 850, масса 26 кг; 2 - подкос, швеллер 120x52x5; 3 - передняя траверса рамы; 4 - центральная балка рамы. Клиренс подкоса - 300 мм


Дышло для одноосного прицепа для трактора



Пришлось несколько дольше повозиться с дышлом. Колёса у тележки - от ГАЭ-53 (8.25R20) - имеют диаметр 962 мм, и оказалось, что при подсоединении к трактору рама устанавливалась не в горизонтальном положении, а с существенным наклоном. Пришлось дышло «принизить», а для этого наваривать под него мотало из швеллера размерами 100x45x4 мм, кроме того, впереди поставить ещё прицепную упорную пластину размерами 150x20 мм. После этого рама «выравнилась».

дышло

Передняя часть рамы:
1 - передняя траверса; 2 - дышло; 3 - поперечный усилитель; 4 - мотало; 5 - упор


Кузов для прицепа своими руками



Далее перешёл к постройке кузова. Тут дело двигалось быстрее. Стрингеры и лонжероны, опять-таки из швеллеров 120x52x5 мм и 100x46x4 мм, уложил по сотовой схеме на расстоянии 550 мм и 600 мм на обвязке пола из уголков размерами 80x80x6 мм. Сверху укрыл листовым железом толщиной 2 мм. Борта высотой 600 мм навесил из обрезной доски размерами 150x25, скрепил их вертикальными металлическими полосами размерами 500x55x5 мм. По углам они запираются обычными бортовыми замками.

Задний стрингер кузова укреплён в петлях задней балки рамы.

Надо отметить, что кузов для балансировки центра тяжести пришлось сместить в горизонтальной плоскости на 200 мм вперёд от оси по раме.

Размер кузова - 2500х 2000 мм. Груза размещаю в него, как и задумал, около 2,5 т.

В течение нескольких лет прицеп отлично выполняет свою работу без каких-либо поломок и отказов. В основном перевожу сыпучие грузы, но также приходится нагружать прицеп сеном, ворошёной травой, а также «железом».

Тракторный прицеп-самосвал своими руками

Похожие статьи:
  • Инструменты и приспособления для обработки земли Инструменты и приспособления для обработки земли Как и многие писатели, работаю не только с крупными формами, но и в «жанре» миниатюры. Правда это...
    Прицеп для мотоблока своими руками Прицеп для мотоблока своими руками С давних пор в моём хозяйстве применяется мотоблок "Хопёр". От жилья до земельного участка, какой...
    Раздвижные ворота для дачи Раздвижные ворота для дачи Летний навес с отодвигающимися в сторону воротами имеет массу достоинств: защищает машину от дождя...
    Мотоблок как тягач Мотоблок как тягач Мой МТЗ-05 пашет в прямом и переносном смыслах с 1991 года. Но рассказать хочу как использую его не...
    Прицеп к мотоблоку для пасынков Прицеп к мотоблоку для пасынков Ранее опубликовали статью про навесное оборудование к мотоблоку, изготовленное Василием ВОЛОВИЧЕМ...
    Кемпер своими руками Кемпер своими руками Мы с женой часто выезжаем на своём автомобиле в недалёкие путешествия - то порыбачить на озеро, то...
  •   ::   просмотров - 44565   ::   комметариев - 0

    Популярное

    календарь дачника
    «    Январь 2026    »
    ПнВтСрЧтПтСбВс
     
    1
    2
    3
    4
    5
    6
    7
    8
    9
    10
    11
    12
    13
    14
    15
    16
    17
    18
    19
    20
    21
    22
    23
    24
    25
    26
    27
    28
    29
    30
    31
     
    Обрати внимание:
    Наши друзья
    Благодаря сайту www.umeltsi.ru вы можете построить дом, дачу, сделать ремонт квартиры, создать самодельные станки, приспособления, тоесть сделать - самоделки своми руками.
    Счетчики